更新時間:2023-02-21 09:22:42
| 產品名稱: | 200X不銹鋼可調式減壓閥 | 產品型號: | 200X RFLT |
| 技術參數: | 不銹鋼(如需特殊要求可來電咨詢) | 制造標準: | 國標GB、德國DIN、美國API、ANSI |
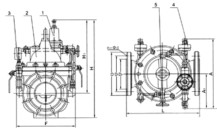
200X不銹鋼可調式減壓閥由主閥、導閥、針閥、球閥、微型過濾器和壓力表組成水力控制接管系統。使用時,當調定出口壓力后,能自動保持穩定出口壓力。
不銹鋼可調式減壓閥怎么調:
當200X不銹鋼可調式減壓閥從進口端給水時,水流過針閥進入主閥控制室,出口壓力通過導管作用到導閥上。當出口壓力高于導閥彈簧設定值時,導閥關閉。控制室停止排水,此時主閥控制室內壓力升高并關閉主閥,出口壓力不再升高。當閥門出口壓力降到導閥彈簧設定壓力時,導閥開啟,控制室向下游排水。不銹鋼可調式減壓閥由于導閥系統排水量大于針閥的進水量,主閥控制室壓力下降。進口壓力使主閥開啟。在穩定狀態下,控制室進水、排水相同,主閥開度不變,出口壓力穩定。
不銹鋼可調式減壓閥的安裝示意圖:

調節導閥彈簧即可設定出口壓力。本產品利用導閥自力控制,不需要其它裝置和能源,保養簡便,壓力控制準確度高,受進口壓力和流量影響小,減壓穩壓可靠。廣泛用于高層建筑、生活區等供水管網系統及城市供水工程。
不銹鋼可調式減壓閥的技術參數:
| 公稱稱壓(Mpa) | 殼體試驗壓力(MPa) | 密封試驗壓力(MPa) | ≤進口壓力(MPa) | 出口可調壓力(MPa) | 適用介質 | 介質溫度(℃) |
| 1.0 | 1.5 | 1.1 | 1.0 | 0.09-0.8 | 水 | 0-80 |
| 1.6 | 2.4 | 1.76 | 1.6 | 0.10-1.2 | ||
| 2.5 | 3.75 | 2.75 | 2.5 | 0.15-1.6 |
不銹鋼可調式減壓閥的零件材料:
| 零件名稱 | 零件材料 |
| 閥體 閥蓋 | WCB |
| 閥座 閥盤 | 銅合金 |
| 密封圈 O型圈 | 丁腈橡膠 |
| 閥桿 | 2Cr13 |
| 彈簧 | 50CrVA |
| 針型閥 | 銅合金 |
| 球閥 | 銅合金 |
| 浮球閥 | 銅合金 |
| 微型過濾器 | 不銹鋼 |
不銹鋼可調式減壓閥組圖片:

不銹鋼可調式減壓閥的連接尺寸:
| DN | L | A | A1 | H | H1 | F | D mm | D1 mm | D2 mm | n-Φd | ||||||||
| mm | mm | mm | mm | mm | mm | mm | PN1.0 | PN1.6 | PN2.5 | PN1.0 | PN1.6 | PN2.5 | PN1.0 | PN1.6 | PN2.5 | PN1.0 | PN1.6 | PN2.5 |
| 20 | 180 | 292 | 136 | 342 | 247 | 116 | 105 | 105 | 105 | 75 | 75 | 75 | 58 | 58 | 56 | 4-13.5 | 4-13.5 | 4-14 |
| 25 | 180 | 292 | 136 | 342 | 247 | 116 | 115 | 115 | 115 | 85 | 85 | 85 | 68 | 68 | 65 | 4-13.5 | 4-13.5 | 4-14 |
| 32 | 180 | 292 | 136 | 342 | 247 | 116 | 140 | 140 | 140 | 100 | 100 | 100 | 78 | 78 | 76 | 4-17.5 | 4-17.5 | 4-18 |
| 40 | 240 | 330 | 155 | 395 | 278 | 170 | 150 | 150 | 150 | 110 | 110 | 110 | 88 | 88 | 84 | 4-17.5 | 4-17.5 | 4-18 |
| 50 | 240 | 330 | 155 | 395 | 278 | 170 | 165 | 165 | 165 | 125 | 125 | 125 | 102 | 102 | 99 | 4-17.5 | 4-17.5 | 4-18 |
| 65 | 250 | 350 | 165 | 405 | 298 | 180 | 185 | 185 | 185 | 145 | 145 | 145 | 122 | 122 | 118 | 4-17.5 | 4-17.5 | 8-18 |
| 80 | 285 | 365 | 175 | 430 | 313 | 210 | 200 | 200 | 200 | 160 | 160 | 160 | 133 | 133 | 132 | 8-17.5 | 8-17.5 | 8-18 |
| 100 | 360 | 410 | 195 | 510 | 350 | 275 | 220 | 220 | 235 | 180 | 180 | 190 | 158 | 158 | 156 | 8-17.5 | 8-17.5 | 8-22 |
| 125 | 400 | 455 | 220 | 560 | 365 | 310 | 250 | 250 | 270 | 210 | 210 | 220 | 184 | 184 | 184 | 8-17.5 | 8-17.5 | 8-26 |
| 150 | 455 | 475 | 230 | 585 | 420 | 355 | 285 | 285 | 300 | 240 | 240 | 250 | 212 | 212 | 211 | 8-22 | 8-22 | 8-26 |
| 200 | 585 | 530 | 255 | 675 | 450 | 460 | 340 | 340 | 360 | 295 | 295 | 310 | 268 | 268 | 274 | 8-22 | 12-22 | 12-26 |
| 250 | 650 | 623 | 300 | 730 | 470 | 500 | 395 | 405 | 425 | 350 | 355 | 370 | 320 | 320 | 330 | 12-22 | 12-26 | 12-30 |
| 300 | 800 | 700 | 340 | 760 | 490 | 580 | 445 | 460 | 485 | 400 | 410 | 430 | 370 | 370 | 389 | 12-22 | 12-26 | 16-30 |
| 350 | 860 | 840 | 415 | 840 | 526 | 640 | 505 | 520 | 555 | 460 | 470 | 490 | 430 | 430 | 448 | 16-22 | 16-26 | 16-33 |
| 400 | 960 | 880 | 430 | 910 | 570 | 715 | 565 | 580 | 620 | 515 | 525 | 550 | 482 | 482 | 503 | 16-26 | 16-30 | 16-36 |
| 450 | 1075 | 930 | 460 | 1030 | 610 | 780 | 615 | 640 | 670 | 565 | 585 | 600 | 532 | 550 | 548 | 20-26 | 20-30 | 20-36 |
| 500 | 1075 | 980 | 490 | 1135 | 665 | 830 | 670 | 715 | 760 | 620 | 650 | 660 | 585 | 585 | 609 | 20-26 | 20-33 | 20-36 |
| 600 | 1230 | 1060 | 530 | 1270 | 725 | 920 | 780 | 840 | 845 | 725 | 770 | 770 | 685 | 685 | 720 | 20-30 | 20-36 | 20-39 |
| 700 | 1650 | 1130 | 560 | 1460 | 865 | 980 | 895 | 910 | 960 | 840 | 840 | 875 | 800 | 800 | 820 | 24-30 | 24-36 | 24-42 |
| 800 | 1750 | 1230 | 610 | 1640 | 975 | 1050 | 1015 | 1025 | 1085 | 950 | 950 | 990 | 905 | 905 | 928 | 24-33 | 24-39 | 24-48 |
不銹鋼可調式減壓閥的設計選用要點
( 1 )工程式中應用的水力控制閥是經過制造廠檢驗合格,各種標識齊全,技術資料符合要求的產品。
( 2 )根據功能要求,選擇閥門種類,再根據管道輸送介質、溫度、建筑標準和業主 要要求 等,確定閥門的閥體和密封部位的材質。常用的閥 體材料有鑄鐵 、銅鐵、銅、塑料等。常用的密封面和襯里材料有銅合金、塑料、鋼、硬質合金、橡膠等。閥 體材料應與管道材料相匹配。
( 3 )閥門的公稱壓力有0.6、1.0、1.6、2.5和4.0MPa等不同級別,管道輸送的介質,其工作壓力應小于閥門的公稱壓力值。
( 4 )工程中水力控制閥的設置應當有足夠的空間,以便管理、操作、安裝和維修,并應符合管路對閥門的要求。
( 5 )管路采用法蘭連接時,應采用法蘭連接的水力控制閥;管路采用溝槽式連接時,應采用溝槽式連接的水力控制閥。
( 6 )活塞式可調式減壓閥應設置在介質單向流動的管路上。
( 7 )活塞式可調式減壓閥主閥體上的箭頭方向必須與管路系統流向一致。
( 8 )接水力控制閥管段不 應有氣堵 、氣阻現象。在管網≤位置 等存氣段 應設置自動排氣閥。
( 9 )閥門水平安裝時,閥蓋、閥桿應朝上。垂直安裝時,閥蓋、閥桿應朝外。
( 10 )閥門安裝前應做強度和嚴密性試驗。
( 11 )閥門的強度和嚴密性試驗應符合以下規定。
A、閥門的強度試驗壓力為公稱壓力的1.5倍;
B、閥門的嚴密性試驗壓力為公稱壓力的1.5倍;
C、試驗壓力在試驗持續時間內應保持不變,且殼體填料及閥瓣密封面無滲漏;
D、閥門試驗持續時間按上表。
當生活、生產、消防給水系統的水池(箱)其進水管公稱直徑大于或等于50mm時宜設置遙控浮球閥。遙控浮球的公稱通徑應與管路公稱直徑相同。遙控浮球閥前應設置過濾器,過濾器應符合下列規定:
活塞式可調式減壓閥宜水平安裝。水平安裝時,閥蓋宜向上。消防給水系統的減壓閥閥后應有排水設施。自動噴水滅火系統的需減壓時,減壓閥應設置在報警閥前(沿水流方向),與單個報警閥配套設置的減壓閥,可不設備用減壓閥;與多個報警閥配套設置的減壓閥,應設備廠用減壓閥。用于熱水供應工程的減壓閥,應采用熱水型減壓閥。
采用干管干管循環方式(半循環方式)的熱水供應工程,減壓閥設置要求應與冷水工程相同;采用立管循環方式(全循環方式)的熱水供應工程,減壓閥設置應防止熱水循環的破壞,各分區回水管在匯合點壓力應平衡。
當可調式減壓閥公稱直徑不大于50mm時,應采用直線式減壓閥;當大于50mm小于100mm時,宜采用先導式減壓閥。
對用水量*不均勻的某些高層民用建筑(如旅館、住宅、醫院),在有安靜要求的場合,可調式減壓閥 宜異徑 并聯設置。異徑并聯設置時應符合下列要求:
采用干管干管循環方式(半循環方式)的熱水供應工程,減壓閥設置要求應與冷水工程相同;采用立管循環方式(全循環方式)的熱水供應工程,減壓閥設置應防止熱水循環的破壞,各分區回水管在匯合點壓力應平衡。
200X不銹鋼可調式減壓閥的實物圖:

活塞式不銹鋼可調式減壓閥的變化
在主閥不變的情況下,通過針形閥、先導閥及相應 控制系統,根據管網中不同的要求,可演變出幾十種功能的閥門,除上述5種給水系統常用的以外尚有電動浮球閥、水力電動控制閥、電磁控制閥、流量控制閥、緊急關閉閥等。均有不同的設計選用要求和安裝要求。
由于水利控制閥在作用方式上利用介質自身壓力及液壓系統操作,并能自動控制,動作準確,性能可靠,故在建筑給水(含消防)系統中廣泛應用。分別介紹了遙控浮球閥、可調式減壓閥、緩閉止回閥、泄壓閥和 持壓閥 等幾種常用的水力控制閥的設計選用和安裝要點。
可調式減壓閥是一種利用介質自身能量來調節管路的壓力,通過調節減壓導閥,控制主閥的出口壓力,出口壓力不因進口壓力的變化而改變,亦不受出 口用水量的變化而改變出口壓力。密封性能可靠,安裝、維護、調試、檢查方便,使用壽命長。
電話:021-57488098
郵箱:6291599
地址:上海市奉賢區新民港路150號
網址:http://m.sxfsdz.cn
本文中的文字、數據、圖片僅供參考。需要了解更多200X不銹鋼可調式減壓閥的使用性能、外形結構、安裝尺寸參數、價格,索取200X不銹鋼可調式減壓閥說明書及產品選型樣本,請聯系我們
在線咨詢
021-57488098