更新時間:2023-02-21 09:23:20
渠工閥門(浙江)有限公司從事〖管道汽水混合器〗的供應商,可提供管道汽水混合器結構圖,管道汽水混合器外形尺寸圖,管道汽水混合器型號,管道汽水混合器作用特點,管道汽水混合器工作原理,管道汽水混合器批發廠家,管道汽水混合器執行標準,歡迎新老客戶來電,來函,我們將為您提供貼心的服務。以下就是關于管道汽水混合器說明書的詳細概述:
管道汽水混合器又名管道汽水混合器是一種裝設于管道上直接式加熱設備,具有熱效率高、噪聲低、安裝簡單、不占空間等特點,廣泛應用于采暖、空調及生產工藝水加熱系統。管道汽水混合器核心部件為拉法爾噴管,從喉口噴入的水流與從斜孔噴入的蒸汽充分混合后流出,生產熱水。蒸汽和水在高速流動中混合,無噪音、無振動。


| QSH | -4 | -6 | -8 | -10 | -12 | -16 | -20 | -24 | -32 | -40 | -48 |
| 額定流量(m3/h) | 1.2 | 2.5 | 4.5 | 7 | 10 | 16 | 25 | 35 | 60 | 105 | 165 |
| 設計壓力(MPa) | 1.6 | 1.6 | 1.6 | 1.6 | 1.6 | 1.6 | 1.6 | 1.6 | 1.6 | 1.6 | 1.6 |
| 凈重(kg) | 8 | 8 | 15 | 15 | 15 | 50 | 50 | 50 | 200 | 200 | 200 |
| 運行重量(kg) | 8.5 | 8.5 | 16 | 16 | 16 | 58 | 58 | 58 | 260 | 260 | 260 |
| 噪聲(dB) | ≤65 | ≤65 | ≤65 | ≤65 | ≤65 | ≤65 | ≤65 | ≤65 | ≤65 | ≤65 | ≤65 |
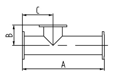
| A(mm) | 240 | 240 | 360 | 360 | 360 | 660 | 660 | 660 | 1200 | 1200 | 1200 |
| B(mm) | 105 | 105 | 130 | 130 | 130 | 170 | 170 | 170 | 300 | 300 | 300 |
| C(mm) | 105 | 105 | 130 | 130 | 130 | 220 | 220 | 220 | 450 | 450 | 450 |
| 水側法蘭 | DN40 | DN40 | DN65 | DN65 | DN65 | DN125 | DN125 | DN125 | DN250 | DN250 | DN250 |
| 汽側法蘭 | DN40 | DN40 | DN65 | DN65 | DN65 | DN125 | DN125 | DN125 | DN250 | DN250 | DN250 |
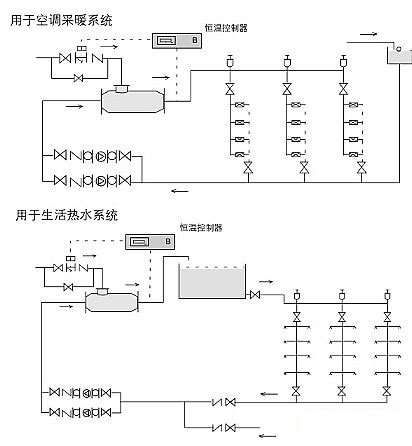
管道汽水混合器可用于空調采暖、衛生熱水的加熱系統,根據實際水流量的蒸汽耗量選用加熱器。
1、管道汽水混合器未通入蒸汽時,額定流量下,水頭損失為5mH2O,通入蒸汽后,水頭損失可按1mH2O考慮;
2、蒸汽壓力大于水壓0.05MPa以上;
3、管道汽水混合器用于生活熱水系統時應設置中間水箱,不能直接進入淋浴器,防止意外事故發生;
4、管道汽水混合器適宜安裝在水泵的吸水側。

1.汽水混合加熱器可水平安裝,也可以豎直向上安裝,蒸汽入口應向上或水平;
2.管道汽水混合器前后裝設閥門、壓力表及溫度計,以便于觀察和調節加熱器工作狀況;
3.管道汽水混合器啟動時,應先通水,再通汽;停機時,先關斷汽源,再斷水。
]]>更新時間:2023-02-21 09:23:20
渠工閥門(浙江)有限公司從事〖靜態混合反應器〗的供應商,可提供靜態混合反應器結構圖,靜態混合反應器外形尺寸圖,靜態混合反應器型號,靜態混合反應器作用特點,靜態混合反應器工作原理,靜態混合反應器批發廠家,靜態混合反應器執行標準,歡迎新老客戶來電,來函,我們將為您提供貼心的服務。以下就是關于靜態混合反應器說明書的詳細概述:
靜態混合反應器又名管道混合器是使流體在管道內流過時,通過某一構件或混合元件的作用而達到均勻混合的目的,是一種無任何機械運動部件的混合器。工業上常采用的管道混合器有靜態擋板式、孔板式、三通式混合器等幾種型式,道混合器的材質分塑料,玻璃鋼,碳鋼和不銹鋼,采用玻璃鋼材質具有加工方便,堅固耐用耐腐蝕等優點。
1. 城市生活用水和工業給水處理中投加各種混凝劑、助凝劑進行混合作用;
2. 城市生活污水和工業廢水處理中投加各種混凝劑、助凝劑進行混合作用;
3. 給水排水、環保工程中氣水混合、投加液氯、臭氧等藥劑進行消毒處理;
4.工業廢水進行酸堿中和混合作用;
5. 幾種工業廢水進行混合均化處理。
1.混合器管徑按經濟流速進行選擇,一般按0.9~1.2m/s計算,管徑大于500mm的*大流速可達1.5m/s。有條件時,將管徑放大50~100mm,可以減少水頭損失;
2. 混合器節數基本組合按三節考慮,水頭損失約0.4~0.6m,也可根據混合介質的情況增減節數;
3. 混合器管內水壓按1.0kg/cm2考慮,也可根據實際壓力進行設備加工;

混合器安裝在架空管道時,必須用管道支架固定,埋地管道可安裝在檢查井內;
混合器安裝不受方向限制,可以水平、垂直或其他組合方式;
3.各種藥劑的投加位置,應在管道混合器前端,并大于0.3米;
4.投加藥劑的管道自行設計,可按全國給水排水標準圖進行安裝,但管內流速必須大于1.0米/秒。
1. 連續工藝,混合過程不被打斷;
2.剪切力*小不破壞混合物,如:絮凝體;
3. 混合效果為可計算控制的(CoV偏離度),應客戶需求CoV范圍*高為5%,流體在整個截面上的濃度是連續而平衡的,因此測量值具有很高的代表性,可對裝置進行有效的控制;
4. 混合距離和安裝空間非常小,且靜態混合器本身就是管道的一部分,可將其看作特殊的管道,避免了傳統的攪拌槽等的缺陷;
5.沒有運動部件,不存在磨損,幾乎沒有維護費用;
6.傳質效率很高,壓降和能量消耗非常低;
7. 不會被阻塞,安裝方式和材質可以是任何形狀、任何尺寸和任何材質;
8. 對整個工藝物流進行強制性混合,可大大降低貯槽體積,甚至可以不使用貯槽。
噴嘴式
將待混的兩種或兩種以上流體的量調整到預定配比后,以較高流速的流體將較低流速的流體帶入一根管道,待混流體匯流后經過一段距離達到混合。
渦流式
兩種流體流經一渦流室得到混合。渦流室為2個流體入口,一個出口,流體以切線方向進入渦流室。
異形管道混合器
兩種流體流經裝有促進混合的元件的管道得以混合。這種設備適用于氣體或較低粘度液體的混合,例如家用煤氣灶就是以煤氣將空氣帶入管道混合后再輸送到火嘴燃燒的。
靜態管道混合器
這種混合器由管子和內裝的促進混合的元件等組成。混合元件常用的形式有螺旋片式和混合頭式。靜態混合器結構簡單緊湊,無傳動部件,物料停留時間短(一般僅數秒),混合效率高,能耗低,安裝維護和清洗方便。它主要用作高粘度液體的混合器和氣液反應器等。
]]>更新時間:2023-02-21 09:23:20
渠工閥門(浙江)有限公司從事〖管道靜態混合器〗的供應商,可提供管道靜態混合器結構圖,管道靜態混合器外形尺寸圖,管道靜態混合器型號,管道靜態混合器作用特點,管道靜態混合器工作原理,管道靜態混合器批發廠家,管道靜態混合器執行標準,歡迎新老客戶來電,來函,我們將為您提供貼心的服務。以下就是關于管道靜態混合器說明書的詳細概述:
管道靜態混合器是使流體在管道內流過時,通過某一構件或混合元件的作用而達到均勻混合的目的,是一種無任何機械運動部件的混合器。工業上常采用的管道混合器有靜態擋板式、孔板式、三通式混合器等幾種型式,道混合器的材質分塑料,玻璃鋼,碳鋼和不銹鋼,采用玻璃鋼材質具有加工方便,堅固耐用耐腐蝕等優點。
1. 城市生活用水和工業給水處理中投加各種混凝劑、助凝劑進行混合作用;
2. 城市生活污水和工業廢水處理中投加各種混凝劑、助凝劑進行混合作用;
3. 給水排水、環保工程中氣水混合、投加液氯、臭氧等藥劑進行消毒處理;
4.工業廢水進行酸堿中和混合作用;
5. 幾種工業廢水進行混合均化處理。
1.混合器管徑按經濟流速進行選擇,一般按0.9~1.2m/s計算,管徑大于500mm的*大流速可達1.5m/s。有條件時,將管徑放大50~100mm,可以減少水頭損失;
2. 混合器節數基本組合按三節考慮,水頭損失約0.4~0.6m,也可根據混合介質的情況增減節數;
3. 混合器管內水壓按1.0kg/cm2考慮,也可根據實際壓力進行設備加工;

混合器安裝在架空管道時,必須用管道支架固定,埋地管道可安裝在檢查井內;
混合器安裝不受方向限制,可以水平、垂直或其他組合方式;
3.各種藥劑的投加位置,應在管道混合器前端,并大于0.3米;
4.投加藥劑的管道自行設計,可按全國給水排水標準圖進行安裝,但管內流速必須大于1.0米/秒。
1. 連續工藝,混合過程不被打斷;
2.剪切力*小不破壞混合物,如:絮凝體;
3. 混合效果為可計算控制的(CoV偏離度),應客戶需求CoV范圍*高為5%,流體在整個截面上的濃度是連續而平衡的,因此測量值具有很高的代表性,可對裝置進行有效的控制;
4. 混合距離和安裝空間非常小,且靜態混合器本身就是管道的一部分,可將其看作特殊的管道,避免了傳統的攪拌槽等的缺陷;
5.沒有運動部件,不存在磨損,幾乎沒有維護費用;
6.傳質效率很高,壓降和能量消耗非常低;
7. 不會被阻塞,安裝方式和材質可以是任何形狀、任何尺寸和任何材質;
8. 對整個工藝物流進行強制性混合,可大大降低貯槽體積,甚至可以不使用貯槽。
噴嘴式
將待混的兩種或兩種以上流體的量調整到預定配比后,以較高流速的流體將較低流速的流體帶入一根管道,待混流體匯流后經過一段距離達到混合。
渦流式
兩種流體流經一渦流室得到混合。渦流室為2個流體入口,一個出口,流體以切線方向進入渦流室。
異形管道混合器
兩種流體流經裝有促進混合的元件的管道得以混合。這種設備適用于氣體或較低粘度液體的混合,例如家用煤氣灶就是以煤氣將空氣帶入管道混合后再輸送到火嘴燃燒的。
管道靜態混合器
這種混合器由管子和內裝的促進混合的元件等組成。混合元件常用的形式有螺旋片式和混合頭式。靜態混合器結構簡單緊湊,無傳動部件,物料停留時間短(一般僅數秒),混合效率高,能耗低,安裝維護和清洗方便。它主要用作高粘度液體的混合器和氣液反應器等。
]]>